 |
Sanitary Tees
Produce sanitary unions with DIN , SMS , 3A , ISO , .... standards . the forged parts are made from round steel . machined by CNC machines . which can be done at different surface as client' requirement .
Technical parameters
Size 1"-4" DIN10-DN200 17.2-114.3 |
| Material 304 304L 316 316L |
Surfac qualities 1.180 Grit |
2.240 Grit |
3.320 Grit |
4.420 Grit |
5.Unpolished |
Ordering Specifications
Standard
Size
Material type
Surface qualities
Quantity
Example Standard Size Material Surface qualities Quantity
D.2wk-45º DN40 304 2(240 Grit) 5000 |
|
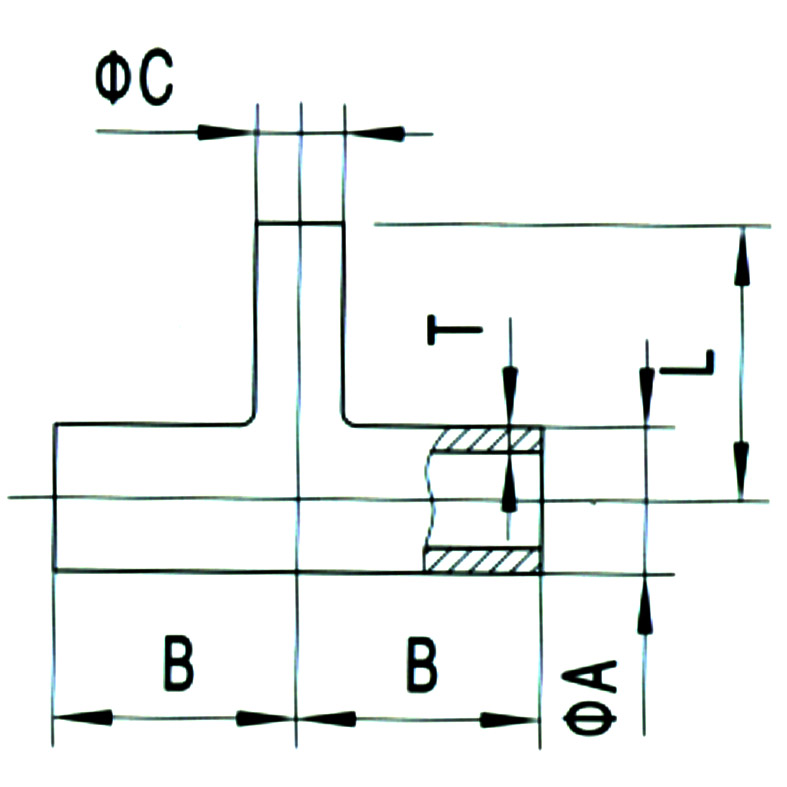
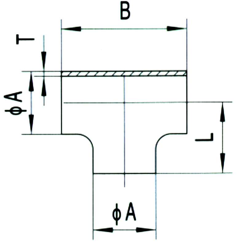
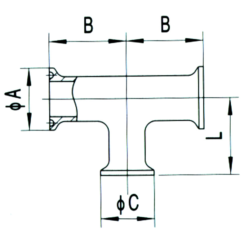
Equl/Pull tee |
|
KS-E2101
SIZE |
|
L |
|
T |
10 |
|
26 |
9 |
1.5 |
15 |
18 |
35 |
11 |
1.5 |
20 |
22 |
40 |
13 |
1.5 |
25 |
28 |
50 |
14 |
1.5 |
32 |
34 |
545 |
19.5 |
1.5 |
40 |
40 |
60 |
23 |
1.5 |
50 |
52 |
70 |
30 |
1.5 |
65 |
70 |
80 |
40 |
2.0 |
80 |
58 |
90 |
47.5 |
2.0 |
100 |
104 |
100 |
58 |
2.0 |
125 |
129 |
187.5 |
74 |
2.0 |
150 |
154 |
335 |
90 |
2.0 |
200 |
204 |
300 |
115 |
2.0 |
|
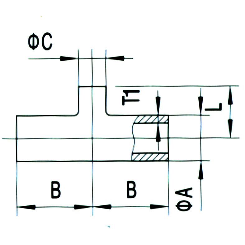
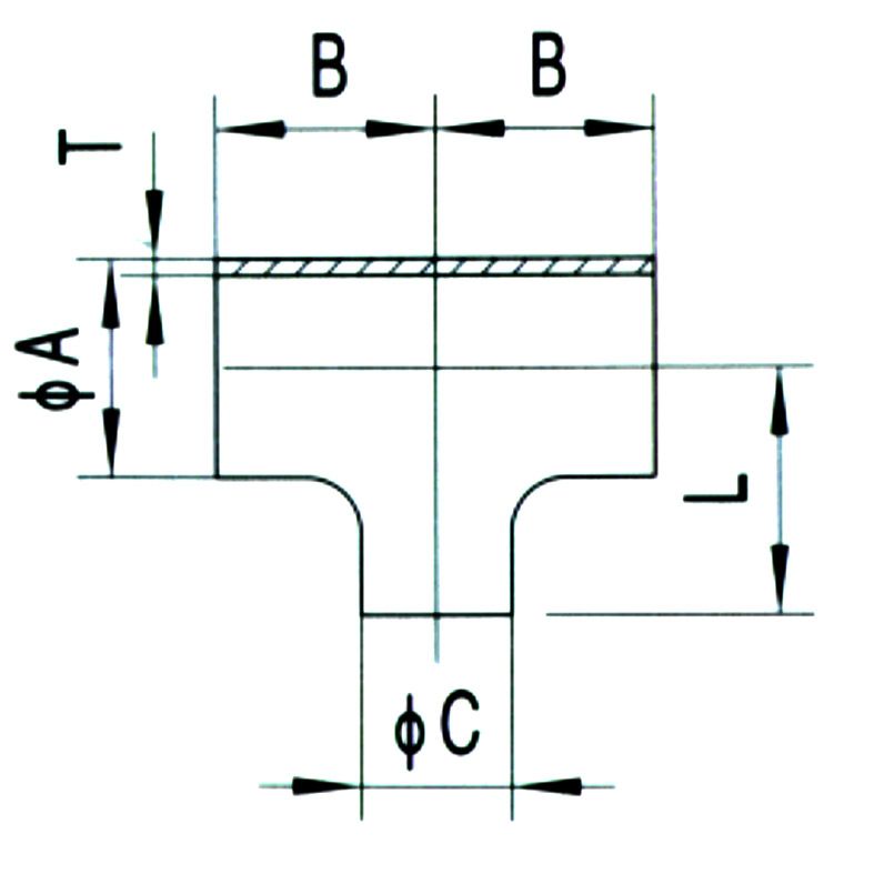
| Reducing/Reducing short tee |
 
KS-E2102
SIZE |
|
D1 |
|
|
T |
25-20 |
|
22 |
50 |
17 |
1.5 |
32-25 |
34 |
28 |
55 |
19.5 |
1.5 |
40-25 |
40 |
28 |
60 |
22.5 |
1.5 |
40-32 |
40 |
34 |
60 |
22.5 |
1.5 |
50-25 |
52 |
28 |
70 |
29.5 |
2.0 |
50-32 |
52 |
34 |
70 |
29.5 |
2.0 |
50-40 |
52 |
40 |
70 |
29.5 |
2.0 |
65-25 |
70 |
28 |
80 |
39 |
2.0 |
65-32 |
70 |
34 |
80 |
39 |
2.0 |
65-40 |
70 |
40 |
80 |
39 |
2.0 |
65-50 |
7O |
52 |
80 |
39 |
2.0 |
80-25 |
85 |
28 |
90 |
46.5 |
2.0 |
80-32 |
85 |
34 |
90 |
46.5 |
2.0 |
80-40 |
85 |
40 |
90 |
46.5 |
2.0 |
80-50 |
85 |
52 |
90 |
46.5 |
2.0 |
80-65 |
85 |
70 |
90 |
46.5 |
2.0 |
100-25 |
104 |
28 |
100 |
56 |
2.0 |
100-32 |
104 |
34 |
100 |
56 |
2.0 |
100-40 |
104 |
40 |
100 |
56 |
2.0 |
100-50 |
104 |
52 |
100 |
56 |
2.0 |
100-65 |
104 |
70 |
100 |
56 |
2.0 |
100-80 |
104 |
85 |
100 |
56 |
2.0 |
125-25 |
129 |
28 |
187.5 |
68.5 |
2.0 |
125-32 |
129 |
34 |
187.5 |
68.5 |
2.0 |
125-40 |
129 |
40 |
187.5 |
68.5 |
2.0 |
125-50 |
129 |
52 |
187.5 |
68.5 |
2.0 |
125-65 |
129 |
70 |
187.5 |
68.5 |
2.0 |
125-80 |
129 |
85 |
187.5 |
68.5 |
2.0 |
125-100 |
129 |
104 |
187.5 |
68.5 |
2.0 |
150-32 |
154 |
34 |
225 |
81 |
2.0 |
150-40 |
154 |
40 |
225 |
81 |
2.0 |
150-50 |
154 |
52 |
225 |
81 |
2.0 |
150-65 |
154 |
70 |
225 |
81 |
2.0 |
150-80 |
154 |
85 |
225 |
81 |
2.0 |
150-100 |
154 |
104 |
225 |
81 |
2.0 |
150-125 |
154 |
129 |
225 |
81 |
2.0 |
|
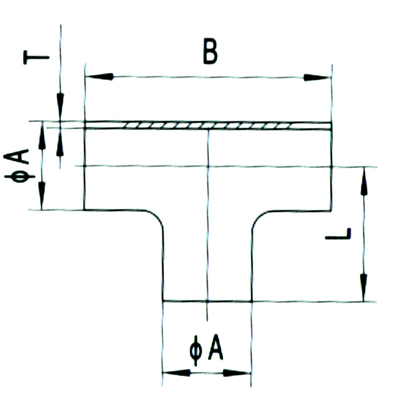
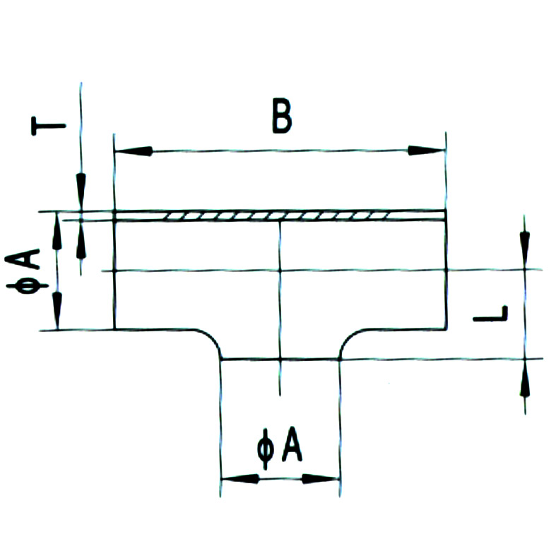
| Equl tee |

KS-E2103
SIZE |
|
B |
|
T |
28 |
|
110 |
55 |
1.5 |
38 |
38 |
140 |
70 |
1.5 |
51 |
51 |
164 |
81 |
1.5 |
63.5 |
63.5 |
210 |
105 |
1.5 |
76 |
76.1 |
220 |
110 |
2.0 |
104 |
104 |
300 |
150 |
2.0 |
|
| Pull tee |

KS-E2104
SIZE |
|
B |
|
T |
28 |
|
110 |
15 |
1.5 |
38 |
38 |
140 |
21 |
1.5 |
51 |
51 |
164 |
29 |
1.5 |
63.5 |
63.5 |
210 |
36 |
1.5 |
76 |
76.1 |
220 |
44 |
2.0 |
104 |
104 |
300 |
58 |
2.0 |
|
| Rducing short cross/tee |
 
KS-E2205
SIZE |
|
B |
|
L |
T |
t |
38 X 25 |
|
104 |
25 |
21 |
1.25 |
1.50 |
51 X 25 |
51 |
164 |
25 |
29 |
1.25 |
1.50 |
51 X 38 |
51 |
164 |
38 |
29 |
1.25 |
1.50 |
63.5 X 25 |
63.5 |
210 |
25 |
36 |
1.50 |
1.50 |
63.5 X 38 |
63.5 |
210 |
38 |
36 |
1.50 |
1.50 |
63.5 X 51 |
63.5 |
210 |
51 |
36 |
1.50 |
1.50 |
76 X 25 |
76.1 |
220 |
25 |
44 |
1.65 |
2.0 |
76 X 38 |
76.1 |
220 |
38 |
44 |
1.65 |
2.0 |
76 X 51 |
76.1 |
220 |
51 |
44 |
1.65 |
2.0 |
76 X 63.5 |
76.1 |
220 |
63.5 |
44 |
1.65 |
2.0 |
104 X 25 |
104 |
300 |
25 |
58 |
1.65 |
2.0 |
104 X 38 |
104 |
300 |
38 |
58 |
2.0 |
2.0 |
104 X 51 |
104 |
300 |
51 |
58 |
2.0 |
2.0 |
104 X 63.5 |
104 |
300 |
63.5 |
58 |
2.0 |
2.0 |
104 X 76 |
104 |
300 |
76.1 |
58 |
2.0 |
2.0 |
|
| Equal short tee |

KS-E2106
SIZE |
|
B |
|
T |
1.0" |
|
57.2 |
28.6 |
1.65 |
1.5" |
38.1 |
84.2 |
42.1 |
1.65 |
2.0" |
50.8 |
104.8 |
52.4 |
1.65 |
2.5" |
63.5 |
119.0 |
59.5 |
1.65 |
3.0" |
76.2 |
131.8 |
65.9 |
1.65 |
4.0" |
101.6 |
174.6 |
87.3 |
2.10 |
|
| Equl long tee |

KS-E2107
SIZE |
|
B |
|
T |
1.0" |
|
95.2 |
47.6 |
1.65 |
1.5" |
38.1 |
84.2 |
57.2 |
1.65 |
2.0" |
50.8 |
104.8 |
76.2 |
1.65 |
2.5" |
63.5 |
152.4 |
76.2 |
1.65 |
3.0" |
76.2 |
165.2 |
82.6 |
1.65 |
4.0" |
101.6 |
196.8 |
98.4 |
2.10 |
|
| Weld/Male Butterfly valve |

KS-E2208
SIZE |
|
C |
|
L |
T |
1.5" X 1.0" |
|
25.4 |
57.15 |
53.98 |
1.65 |
2.0" X 1.0" |
50.8 |
25.4 |
76.2 |
60.30 |
1.65 |
2.0" X 1.5" |
50.8 |
38.1 |
76.2 |
63.50 |
1.65 |
2.5" X 1.5" |
63.5 |
38.1 |
76.2 |
69.85 |
1.65 |
2.5" X 2.0" |
63.5 |
50.8 |
76.2 |
82.55 |
1.65 |
3.0" X 1.5" |
76.2 |
38.1 |
82.55 |
76.2 |
1.65 |
3.0" X 2.0" |
76.2 |
50.8 |
82.55 |
88.9 |
1.65 |
3.0" X 2.5" |
76.2 |
63.5 |
82.55 |
82.55 |
1.65 |
4.0" X 2.0" |
101.6 |
50.8 |
98.4 |
101.6 |
2.10 |
4.0" X 2.5" |
101.6 |
63.5 |
98.4 |
95.25 |
2.10 |
4.0 X 3.0" |
101.6 |
76.2 |
98.4 |
95.25 |
2.10 |
|
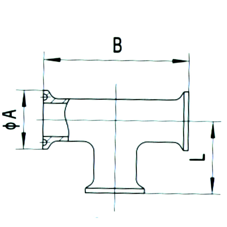
| Clamp tee |

KS-E2109
SIZE |
|
B |
|
28.5 |
|
120.6 |
60.3 |
36.5 |
50.5 |
139.8 |
69.9 |
44.45 |
64.0 |
177.8 |
88.9 |
52.3 |
77.5 |
177.8 |
88.9 |
60.3 |
91.0 |
190.6 |
95.3 |
76.2 |
119.0 |
228.4 |
114.2 |
|
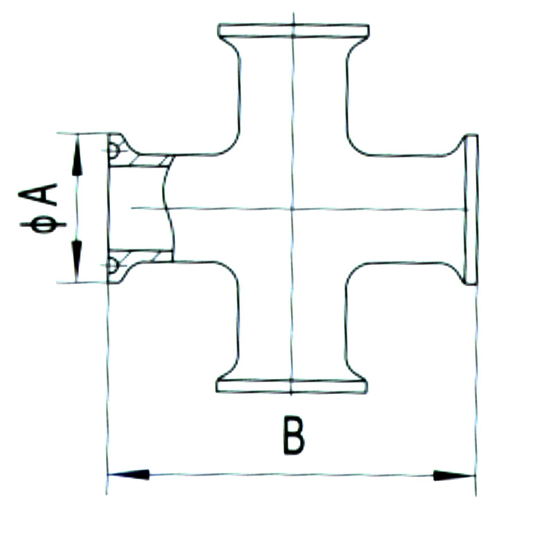
| Clamp cross |

KS-E2110
SIZE |
|
B |
1.0" |
|
120.6 |
1.5" |
50.5 |
139.8 |
2.0" |
64.0 |
177.8 |
2.5" |
77.5 |
177.8 |
3.0" |
91.0 |
190.6 |
4.0" |
119.0 |
228.4 |
|
| Welding cross |

KS-E2111
SIZE |
|
B |
|
T |
1.0" |
|
57.2 |
28.6 |
1.65 |
1.5" |
38.1 |
84.2 |
42.1 |
1.65 |
2.0" |
50.8 |
104.6 |
52.4 |
1.65 |
2.5" |
63.5 |
119.0 |
59.5 |
1.65 |
3.0" |
76.2 |
131.8 |
65.9 |
1.65 |
4.0" |
101.6 |
174.6 |
87.3 |
2.10 |
|
| Welding long cross |

KS-E2112
SIZE |
|
B |
|
T |
1.0" |
|
95.2 |
47.6 |
1.65 |
1.5" |
38.1 |
84.2 |
57.2 |
1.65 |
2.0" |
50.8 |
104.8 |
76.2 |
1.65 |
2.5" |
63.5 |
152.4 |
76.2 |
1.65 |
3.0" |
76.2 |
165.2 |
82.6 |
1.65 |
4.0" |
101.6 |
196.8 |
98.4 |
2.10 |
|
| Clamp reducer tee |

KS-E2113
SIZE |
|
C |
|
L |
1.5" X 1.0" |
|
50.5 |
69.85 |
66.68 |
2.0" X 1.0" |
64.0 |
50.5 |
88.90 |
73.0 |
2.0" X 1.5" |
64.0 |
50.5 |
88.90 |
76.20 |
2.5" X 1.5" |
77.5 |
50.5 |
88.90 |
82.55 |
2.5" X 2.0" |
77.5 |
64.0 |
88.90 |
95.25 |
3.0" X 1.5" |
91.0 |
50.5 |
92.58 |
88.90 |
3.0" X 2.0" |
91.0 |
64.0 |
95.25 |
101.6 |
3.0" X 2.5" |
91.0 |
77.5 |
95.25 |
95.25 |
4.0" X 2.0" |
119.0 |
64.0 |
114.2 |
114.3 |
4.0" X 2.5" |
119.0 |
77.5 |
114.2 |
107.95 |
4.0 X 3.0" |
119.0 |
91.0 |
114.2 |
107.95 |
|
| Pull tee straight |

KS-E2114
SIZE |
|
B |
|
T |
1.0" |
|
57.2 |
16 |
1.65 |
1.5" |
38.1 |
84.2 |
22 |
1.65 |
2.0" |
50.8 |
104.8 |
29 |
1.65 |
2.5" |
63.5 |
119.0 |
35 |
1.65 |
3.0" |
76.2 |
131.8 |
41 |
1.65 |
4.0" |
101.6 |
174.6 |
54 |
2.10 |
|
| Reducing short tee |

KS-E2215
SIZE |
|
B |
|
L |
T |
1.5" X 1.0" |
|
42.1 |
25.4 |
22 |
1.65 |
2.0" X 1.5" |
50.8 |
52.4 |
38.1 |
29 |
1.65 |
2.0" X 2.0" |
63.5 |
59.5 |
50.8 |
35 |
1.65 |
3.0" X 2.0 " |
|
65.9 |
50.8 |
41 |
1.65 |
3.0" X 2.5" |
76.2 |
65.9 |
63.5 |
41 |
1.65 |
4.0" X 2.0 " |
101.6 |
117.5 |
50.8 |
54 |
2.10 |
4.0" X 2.5" |
101.6 |
117.5 |
63.5 |
54 |
2.10 |
4.0" X 3.0 " |
101.6 |
117.5 |
76.2 |
54 |
2.10 |
|